Артикул:
76576
В корзину
Описание
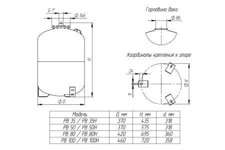
Расширительный бак вертикальный РВ 80 (БЭЗ)
Подробности
Характеристики
Производитель
—
UNIPUMP
Присоединительный диаметр
—
1"
Материал корпуса/гидравлической части
—
Сталь
Объем (л)
—
80
Описание
Расширительные баки мембранного типа предназначены для компенсации изменения объема теплоносителя при изменении температуры в системах отопления закрытого типа и поддержания в них рабочего давления, выпускаются с опорными ножками.
Мембрана: EPDM
Мембрана: EPDM