Артикул:
20724
В корзину
Описание
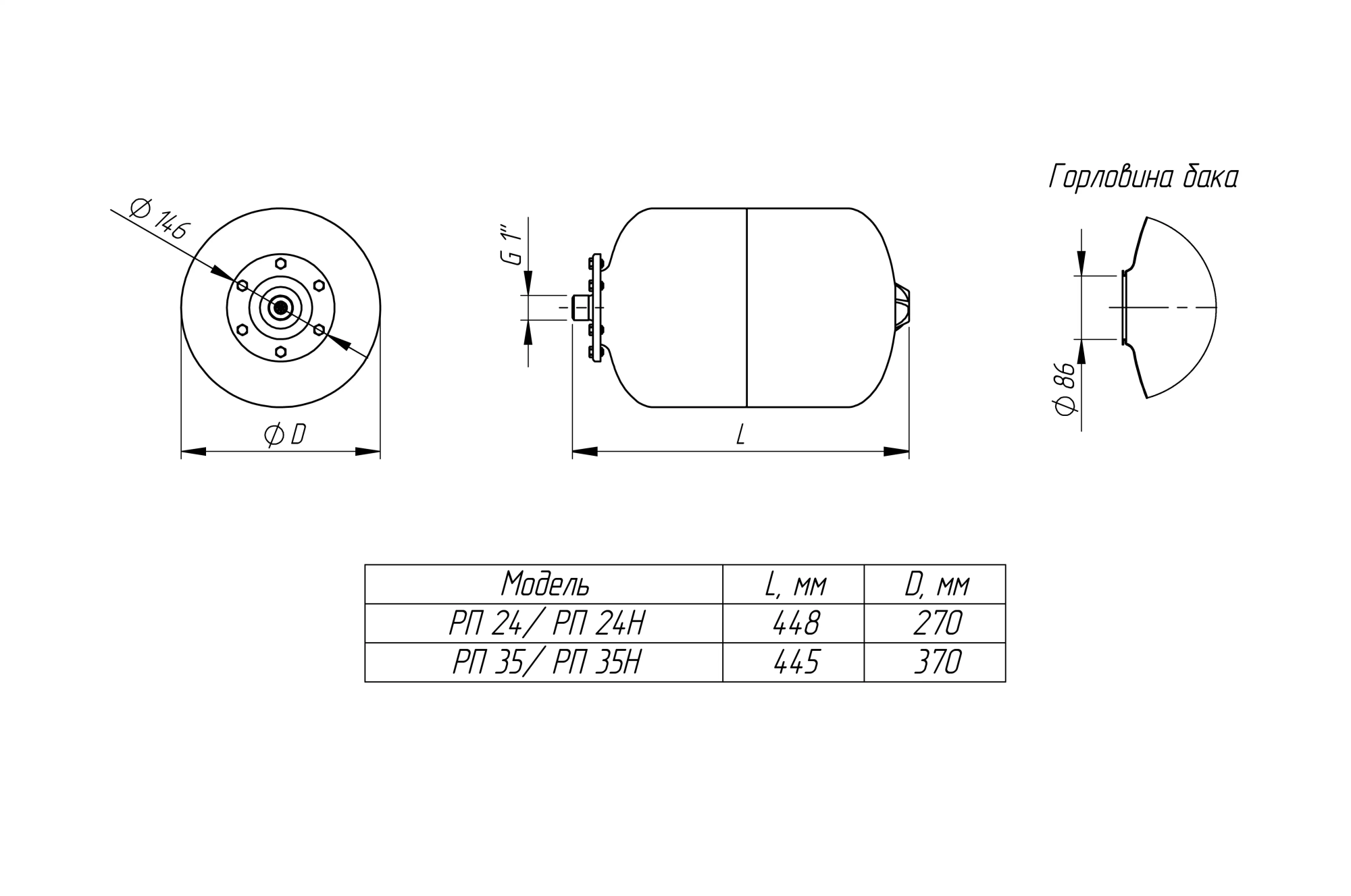
Расширительный бак подвесной РП 24 (БЭЗ)
Подробности
Характеристики
Производитель
—
UNIPUMP
Присоединительный диаметр
—
1"
Материал корпуса/гидравлической части
—
Сталь
Объем (л)
—
24
Описание
Расширительные баки мембранного типа (экспанзоматы)предназначены для компенсации изменения объема теплоносителя при изменении температуры в системах отопления закрытого типа и поддержания в них рабочего давления.
Бак изготовлен из стали, внешняя поверхность бака покрыта эмалью, внутренняя полость – без покрытия. Внутри корпуса бака расположена мембрана, которая разделяет его на две камеры – водяную и воздушную. В воздушной камере находится предварительно закаченный на заводе изготовителе воздух. Со стороны воздушной камеры, на корпусе бака расположен пневмоклапан, предназначенный для регулировки давления воздуха.
Поступление и выход воды осуществляется через резьбовой присоединительный патрубок.
При нагреве теплоноситель расширяется и попадает в водяную камеру бака, а по мере охлаждения, выдавливается обратно в систему.
Бак изготовлен из стали, внешняя поверхность бака покрыта эмалью, внутренняя полость – без покрытия. Внутри корпуса бака расположена мембрана, которая разделяет его на две камеры – водяную и воздушную. В воздушной камере находится предварительно закаченный на заводе изготовителе воздух. Со стороны воздушной камеры, на корпусе бака расположен пневмоклапан, предназначенный для регулировки давления воздуха.
Поступление и выход воды осуществляется через резьбовой присоединительный патрубок.
При нагреве теплоноситель расширяется и попадает в водяную камеру бака, а по мере охлаждения, выдавливается обратно в систему.