Артикул:
68334
В корзину
Описание
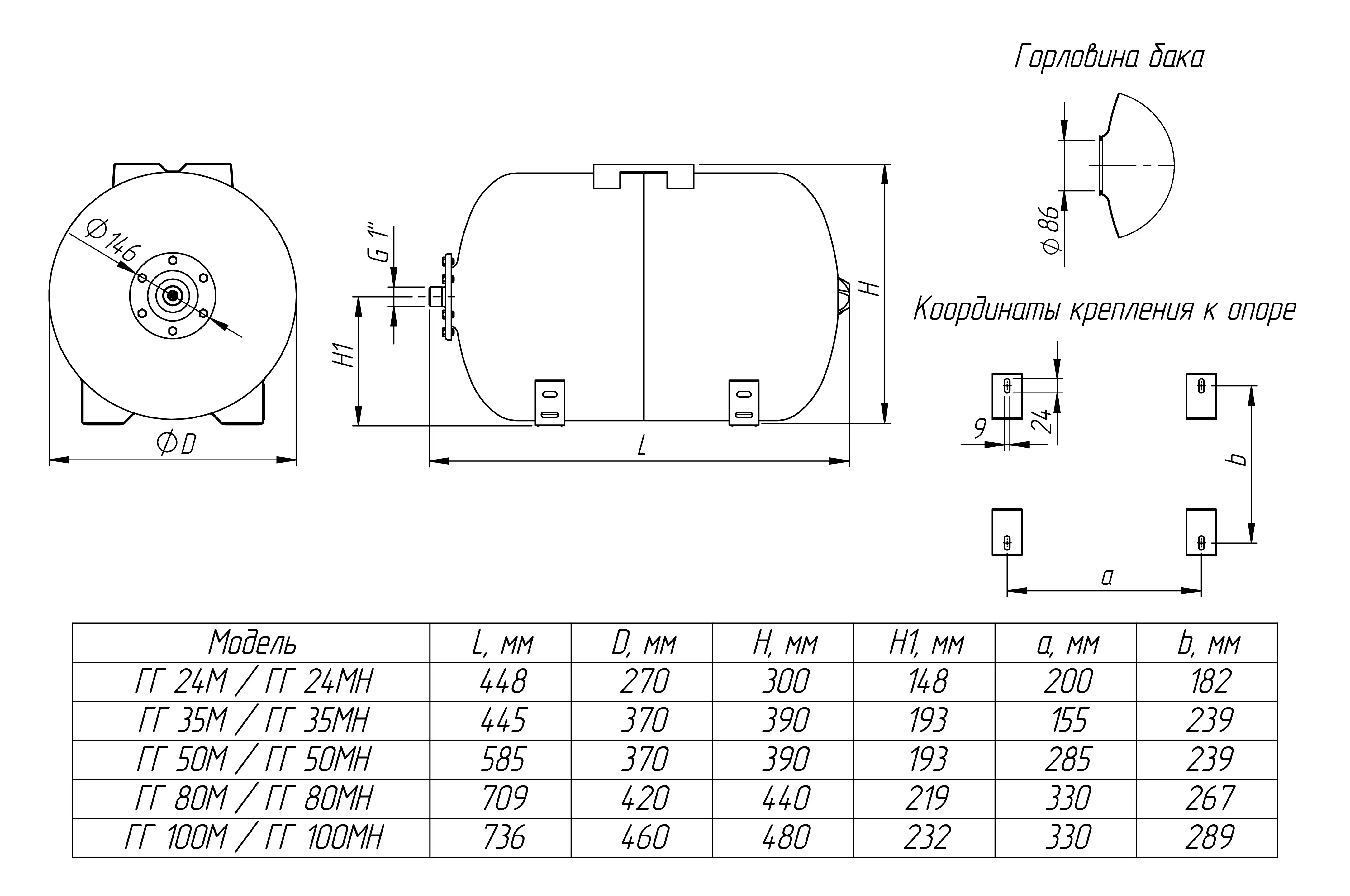
Гидроаккумулятор горизонтальный ГГ 50М
Подробности
Характеристики
Производитель
—
UNIPUMP
Присоединительный диаметр
—
1"
Материал корпуса/гидравлической части
—
Сталь
Объем (л)
—
50
Описание
Гидроаккумулятор ГГ 50М 50 л горизонтальный (БЭЗ) изготовлен из стали и необходим для поддержания стабильного давления в системе водоснабжения. Он защищает систему от гидроударов, снижает частоту включений насоса, что увеличивает его срок службы. Гидроаккумуляторы накапливают запас воды для использования при отключении насоса, в том числе из-за отсутствия электроэнергии. Они также могут использоваться в автоматических насосных станциях с погружными или поверхностными насосами.